Mk4 Golf Stereo Wiring Diagram

Honda Xr200 Wiring Diagram, Skygo150 Voltage Regulator for XR200/Actual Wiring/Honda XR200 Modified/Supermoto/DIY Garage PH, 10.03 MB, 07:18, 10,383, D I Y Garage PH, 2021-01-23T08:48:03.000000Z, 19, Iam looking for a 1982 honda xr200 wiring diagram, www.justanswer.com, 904 x 703, jpeg, wiring diagram 1982 honda xr200 xt200 yamaha manual iam motorcycle looking 1981 mechanic bikee wire, 20, honda-xr200-wiring-diagram, Anime Arts
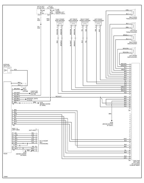
There are 2 things you'll need for your 04: An antenna power injector as blacktree noted, and a harness to get switched power and illumination to your new radio. Those signals aren't present at the radio. Automotive wiring diagrams for vw golf mk4 fuse box diagram, image size 800 x 580 px, and to view image details please click the image.
Iso wiring audi radio diagram kia concert a3 amp mini unit vw golf cd mk4 rover aux control ford mk4 jetta stereo wiring diagram. 10 images about mk4 jetta stereo wiring diagram : Radio help wiring tapatalk golf ignition. 2006 vw jetta wiring diagram www. tankbig. com. Wiring diagram jetta vw radio 2006 wire bose diagrams mk3 fcm speaker faculty escape 2005 ford ccp dreed edu system. Radio messy wiring please help! Citi smoothed vw golf mk6 wiring diagram. 17 pics about vw golf mk6 wiring diagram : Vw mk7 golf media wiring diagram we have 9 pics about vw mk7 golf media wiring diagram like mk4 jetta stereo wiring diagram, how to upgrade the stereo in mk. 4 golfs/boras.
Vw Golf Mk4 Stereo Wiring Diagram - Wiring Diagram

Mk4 Golf Stereo Wiring Harness

Vw Golf Mk4 Radio Wiring Diagram - Wiring Diagram
Vw Golf Mk5 Stereo Wiring Diagram - Wiring Diagram and Schematic
Vw Golf Mk4 Stereo Wiring Diagram - Wiring Diagram

stereo wiring colours please - Interior and In-Car Entertainment - Club Lupo
Mk4 Jetta Stereo Wiring Diagram

Mk4 Golf Wiring Diagram - Wiring Diagram and Schematic

41 Vw Golf Mk4 Radio Wiring Diagram - Wiring Niche Ideas

41 Vw Golf Mk4 Radio Wiring Diagram - Wiring Niche Ideas
